Общая информация
Колодочные тормоза предназначены для остановки и удержания валов механизмов подъемно-транспортного, металлургического, дорожно-строительного, складского и другого оборудования в заторможенном состоянии при неработающем электродвигателе.
Структурное обозначение
ТКХ-Х-(1)-Х2: ТК — тормоз колодочный; Х — вид привода: Т — с электромагнитным приводом переменного тока; МП, П — с электромагнитным приводом постоянного тока; ДМ — с длинноходовым магнитом постоянного тока; Г, ТГ — с электрогидравлическим приводом; Х — диаметр тормозного шкива, мм; 1 — порядковый номер модификации; Х2 — климатическое исполнение (У, УХЛ, Т) и категория размещения по ГОСТ 15150 69.
Условия эксплуатации
Рабочая среда нерадиоактивная, пожаро- и взрывобезопасная. Содержание паров кислот и щелочей в допустимых пределах. При установке на механизмах, работающих на открытом воздухе, тормоза защищают кожухом от попадания атмосферных осадков и действия солнечной радиации. Требования техники безопасности по ГОСТ 12.2.007.0 75 и ГОСТ 12.2.007.1 75. Тормоза типа ТКГ и ТКТГ с электрогидравлическими толкателями эксплуатируются в механизмах всех групп режима с климатическим исполнением, рекомендуемым для северных, умеренных, и тропических районов, что связано с особенностью отрицательного воздействия резких колебаний температуры на трансформаторное масло, используемое в электрогидротолкателях. Для механизмов передвижения и поворота кранов рекомендуются тормоза ТКГ-160-1 и ТКГ-200-1, которые обеспечивают более плавное торможение, в особенности для кранов, работающих на открытом воздухе. Тормоза, комплектуемые электромагнитами, используются при различных перепадах температуры, при этом тормоза типа: ТКДМ устанавливают на металлургическом оборудовании, работающем в горячих цехах. ТКП эксплуатируются в механизмах всех групп режима при резких перепадах температуры окружающей среды. ТКТ рекомендуется применять в механизмах с группой режима не выше 4М. ТКМП используют для металлургического оборудования в горячих цехах в механизмах групп режима 5М и 6М. Колодочные тормоза соответствуют техническим условиям: ТКТ и ТКП - ТУ 3178-003-11523712 94; ТКГ-160; 200; 300 и ТКГ-160(200)-1 - ТУ 3178-004-11523712 94; ТКГ-400; 500 и ТКТГ - ТУ 3178-005-11523712 94; ТКМП и ТКДМ - ТУ 3178-009-11523712 96.
ТУ
ТУ 3178-003-11523712-94;ТУ 3178-004-11523712-94;ТУ 3178-005-11523712-94; ТУ 3178-009-11523712-96.
Технические характеристики
Основные технические данные колодочных тормозов с электромагнитными приводами представлены в табл. 1 с электрогидротолкателями — в табл. 3. В связи с использованием в тормозах типа ТКГ-160-1 и ТКГ-200-1 новой модификации электрогидротолкателя ТЭ-30 РД со встроенным обратным клапаном и демпфирующим устройством, в таблицу 2 введены дополнительные параметры, касающиеся тормозов только этих типоисполнений.
Таблица 1
Типоразмер тормоза | Диаметр шкива, мм | Тип электромагнита | Род тока | Рабочее напряжение, В | Максимальный тормозной момент, Н·м | Масса, кг не более | ||
ПВ=25% | ПВ=40% | ПВ=100% |
| |||||
ТКТ-100 | 100 | МО-100 |
Переменный
|
110; 220
|
| 20 | 10 | 12 |
ТКТ-200/100 | 200 |
| 39 | 22 | 25 | |||
ТКТ-200 | МО-200 |
| 157 | 78 | 36 | |||
| ТКТ-300/200 | 300 |
| 235 | 118 | 70 | |||
ТКП-100 | 100 | МПТ-108 |
Постоянный
|
110; 220
| 20 | 16 | 8 | 16 |
ТКП-200/100 | 200 | МП-101 | 39 | 31 | 16 | 30 | ||
| ТКП-200 | МПТ-212 | 157 | 123 | 53 | 37 | |||
ТКП-300/200 | 300 | МП-201 | 235 | 186 | 78 | 75 | ||
ТКП-300 | МП-301 МПТ-317 | 490 | 412 | 167 | 90 | |||
ТКМП-400 | 400 | Электромагнит постоянного тока | 110; (220; 440) | 1400 | 1100 | 530 | 196 | |
| ТКМП-500 | 500 | 2400 | 1700 | 820 | 305 | |||
ТКМП-600 | 600 | 4800 | 3400 | 1500 | 460 | |||
| ТКДМ-400 | 400 | МПТ-500 | 110; 220 | 1500 |
|
| 195 | |
ТКДМ-500 | 500 | 2500 |
|
| 305 | |||
ТКДМ-600 | 600 | 6000 |
|
| 480 | |||
* Пояснения, касающиеся только тормозов типа ТКМП-400 (500; 600), см. табл. 2.
Таблица 2
Тип тормоза | Напряжение постоянного тока, В | Режим работы (ПВ), % | Добавочное сопротивление, Ом | Ток добавочного сопротивления, А | Тип ящика резистора | Каталожный номер ящика резистора |
ТКМП-400 (ТКП-400) | 110 | 40 | 6 | 4,6 | БК12У2 | ИРАК 434.331.003.01 |
110 | 100 | 20 | 3 | ИРАК 434.331.003.30 | ||
220 | 25 | 20,7 | 6 | ИРАК 434.331.003.30 | ||
220 | 40 | 30 | 4,6 | ИРАК 434.331.003.30 | ||
220 | 100 | 60 | 3 | ИРАК 434.331.003.36 | ||
ТКМП-500 (ТКП-500) | 110 | 40 | 5 | 5 | БК12У2 | ИРАК 434.331.003.01 |
110 | 100 | 18 | 3,2 | ИРАК 434.331.003.01 | ||
220 | 25 | 17,6 | 7 | ИРАК 434.331.003.30 | ||
220 | 40 | 30 | 5 | ИРАК 434.331.003.30 | ||
220 | 100 | 55 | 3,2 | ИРАК 434.331.003.30 | ||
ТКМП-600 (ТКП-600) | 110 | 40 | 4 | 7 | БК12У2 | ИРАК 434.331.003.01 |
110 | 100 | 14 | 4,5 | ИРАК 434.331.003.30 ИРАК 434.331.003.30 | ||
220 | 25 | 13,6 | 9 | |||
220 | 40 | 20,2 | 7 | |||
220 | 100 | 40,5 | 4,5 |
Гарантийный срок эксплуатации тормозов:
Катушки тормозов этого типа имеют единственное исполнение (110В, ПВ=25%). Для других режимов и напряжений последовательно с катушкой включаются резисторы, являющиеся принадлежностью оборудования, в котором используются тормоза. При необходимости поставка резисторов может быть произведена по специальному заказу.
Ниже приводится табл. 3 из справочника «Крановый электропривод» Энергоатомиздат, 1988, авторы Яуре Л.Г., Певзнер Е.М., в соответствии с которой выбираются необходимые напряжения, режимы работы и типы резисторов.
Таблица 3
Наименование параметра | Значение параметра для типоисполнений тормозов электрогидротолкателями | |||||||||
ТКГ-160 | ТКГ-200 | ТКГ-160-1 | ТКГ-200-1 | ТКГ-300 | ТКГ-400 | ТКГ-500 | ТКТГ-600 | ТКТГ-700 | ТКТГ-800 | |
| Диаметр тормозного шкива, мм | 160 | 200 | 160 | 200 | 300 | 400 | 500 | 600 | 700 | 800 |
| Расчетный тормозной момент, Н·м | 100 | 300 | 100 | 300 | 800 | 1500 | 2500 | 5000 | 8000 | 12500 |
| Род тока | Переменный частотой 50 Гц | |||||||||
| Напряжение, В | 220/380 | |||||||||
| Потребляемая мощность, В·А | 160 | 160 | 200 | 240 | 350 | |||||
| Номинальное усилие на штоке толкателя, Н не менее | 300 | 300 | 500 | 800 | 2000 | |||||
| Ход штока толкателя, мм не менее | 32 (50) | 50 | 65 | 80 | 60 | 90 | 140 | |||
| Время наложения колодок, с не более | 0,2 | 2 | 0,35 | 0,4 | 1 | 1,5 | 2,4 | |||
| Масса тормоза, кг не более | 21,5 | 30 | 21,5 | 30 | 55 | 95 | 150 | 210 | 319 | 400 |
| Тип толкателя | ТЭ-30 | ТЭ-30 РД | ТЭ-50 | ТЭ-80 | ТЭ-200 | |||||
| Диапазон регулирования полного времени опускания штока, с | 2,8 | |||||||||
| Усилие демпфирующей пружины (регулируемое), Н | 80/200 | |||||||||
| Максимальный ход регулирования демпфирующей пружины, мм | 22,5 | |||||||||
Устройство
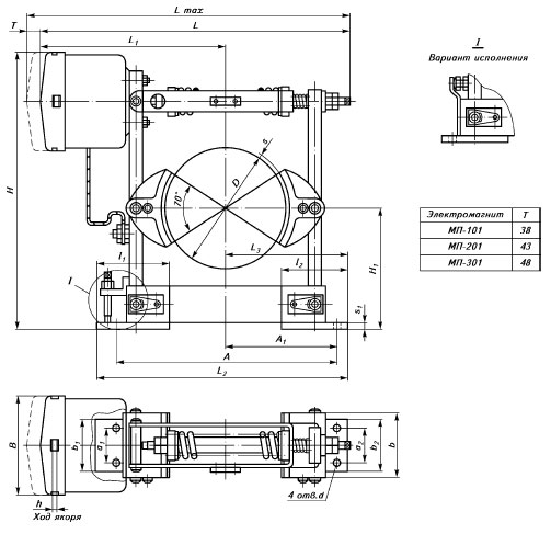
Колодочные тормоза имеют пружинное замыкание, автоматически размыкаются при включении привода и устанавливаются, как правило, на быстроходных валах механизмов, оборудованных тормозными шкивами. Изменяя установочную длину пружины, можно изменять тормозной момент. Особенностями тормозов являются: гарантированная взаимозаменяемость; высокий тормозной момент, независящий от направления вращения и обеспечиваемый оптимальной геометрией рычажного механизма; простота регулировки; возможность замены тормозной колодки без разборки тормоза. Тормоз с электромагнитным приводом состоит из следующих основных частей: электромагнита и механической части. При выключенном электромагните под действием сжатой главной пружины рычаги прижимают колодки к поверхности тормозного шкива. При включении электромагнита его якорь, прижимаясь к сердечнику, перемещает конец штока, который сжимает главную пружину. Рычаги, освободившись от действия пружины, расходятся, растормаживая шкив. Габаритные и присоединительные размеры тормозов ТКТ, ТКП приведены на рис. 1 3; типов ТКМП на рис. 4; ТКДМ на рис. 5. + Рисунок [1].
Общий вид, габаритные и установочные размеры колодочного тормоза, типа ТКТ с электромагнитами переменного тока серии МО: L — размер при возможном крайнем положении якоря + Рисунок [2]. Общий вид, габаритные и установочные размеры колодочного тормоза, типа ТКП с электромагнитами постоянного тока серии МП: Т — размер для снятия кожуха + Рисунок [3]. Общий вид, габаритные и установочные размеры колодочного тормоза, типа ТКП с электромагнитами постоянного тока серии МПТ +Табл. к рис. 1-3: + Рисунок [4] + Табл. к рис. 4: Общий вид, габаритные и установочные размеры колодочного тормоза, типа ТКМП с короткоходовыми магнитами постоянного тока + Рисунок [5] + Табл. к рис. 5: Общий вид, габаритные и установочные размеры колодочного тормоза, типа ТКДМ с длинноходовыми магнитами постоянного тока.
Тормоз с электрогидротолкателем состоит из следующих основных частей: электрогидравлического толкателя и механической части. Принцип работы тормозов такого типа следующий: при выключенном электрогидравлическом толкателе под действием сжатых пружин, рычаги прижимают колодки к поверхности тормозного шкива; шток электрогидравлического толкателя при этом находится в нижнем положении; при включении электрогидравлического толкателя его поршень выдвигает вверх шток, который разжимает пружины; рычаги, освободившись от действия пружин, расходятся, растормаживая шкив. В тормозах новой модификации типов ТКГ-160-1 и ТКГ-200-1, за счет использования электрогидравлического толкателя ТЭ-30 РД со встроенным обратным клапаном и демпфирующим устройством, осуществляется плавное увеличение тормозного момента М от (0,2 0,8)М 3[0] в регулируемом диапазоне времени от 2 до 8 с.
Использование указанных тормозов в механизме передвижения и поворота кранов в обычном технологическом режиме позволяет осуществлять их регулировку на расчетный тормозной момент с обеспечением торможения крана без толчков, резких замедлений и срыва ходовых колес, что повышает надежность и безопасность эксплуатации кранов, работающих на открытом воздухе и подверженных действию ветровых нагрузок. Демпфирующий узел устанавливается на верхнюю часть штока привода и соединяется с верхним рычагом тормоза. Регулировка демпфирующего узла состоит из регулировки свободного хода штока толкателя относительно рычага тормоза, а, следовательно, и регулировки времени наложения максимального тормозного момента на шкив и установки длины регулировочной пружины.
Габаритные и присоединительные размеры колодочных тормозов с электрогидротолкателями типа ТКТГ представлены на рис. 6; типа ТКГ на рис. 7 8; типа ТКГ с демпфирующим узлом на рис. 9. + Рисунок [6] + Табл. к рис. 6: Общий вид, габаритные и установочные размеры колодочного тормоза, типа ТКТГ с электрогидротолкателем +Рис 7.: Общий вид, габаритные и установочные размеры колодочного тормоза, типов ТКГ-400 (500) с электрогидротолкателем +Рис 8.: Общий вид, габаритные и установочные размеры колодочного тормоза, типов ТКГ-160 (200; 300) с электрогидротолкателем +Табл. к рис. 7-8: + Рисунок [9] +Табл. к рис. 9: Общий вид, габаритные и установочные размеры колодочного тормоза, типов ТКГ-160(200)-1 с электрогидротолкателем и демпфирующим узлом.
Технические характеристики
В комплект поставки тормоза с электрогидротолкателем входят: тормоз в сборе с электрогидротолкателем; паспорт на тормоз; паспорт на электрогидротолкатель. В комплект поставки тормоза с электромагнитом входят: тормоз в сборе с электромагнитом; паспорт на тормоз.