Арт. YT-2400
В позиционере YT-2400 электронная и пневматическая часть находятся в разных корпусах, что полностью исключает влияние влажного воздуха на работу электроники.
Управляет краном(затвором) с высокой точностью по входному сигналу 4-20 мА, подаваемому от системы управления.
Снабжён мощным процессором, который обеспечивает такие функции как самокалибровку, HART протокол.
Встроенный дисплей позволяет произвести диагностику состояния позиционера.
Вся информация о кране и позиционере может быть передана по HART протоколу.
Имеется аналоговый датчик обратной связи 4-20 мА о положении крана.
Программируется вид входной характеристики: линейный, быстрое открытие, равнопроцентная, пользовательская.
Настройка параметров ПИД регулирования и всех параметров может производиться непосредственно с кнопочной панели.
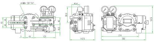
Степень пыле и влаго-защиты IP 66.
Это повышает также ремонтопригодность позиционера. Позиционер снабжён встроенными дросселями, позволяющими добиться хорошего качества позиционирования даже при малых объёмах приводов.
Технические характеристикиВходной управляющий сигнал
| 4-20 мА |
Давление
| 1,4-7 бар |
Перемещение
| 10-150 мм, 0-90 град |
Внутреннее сопрот.
| 430 Ом |
Резьбы под фитинги
| PT(NPT) 1/4 |
Резьба под манометры
| PT(NPT) 1/8 |
Кабельный ввод
| PF1/2, G1/2, M20x1 |
Повторяемость
| ±0,3FS% |
Токр.
| -40 .. +85°C |
Линейность
| ±0,5%FS |
Гистерезис
| ±0,5%FS |
Чувствительность
| ±0,2%FS |
Внутр. расход возд.
| <2 л/мин |
Вых. хар-ки
| Линейная, равнопроц., быстр. откр. |
Материал корпуса
| Литой алюминий |
Класс защиты
| IP 66 |
Взрывозащита
| Exia (CT6)+H2 |
Мощность вых. сигнала
| 70 л/мин |
Вес
| 3,35 кг |
Применение: регулирующие краны с пневмоприводами поворотного и линейного действия.