Тормозные электромагниты постоянного тока серии МПТ и переменного тока серии МО предназначены для дистанционного электропривода пружинных колодочных тормозов и исполнительных механизмов различного промышленного назначения.
Структурное обозначение
МПТ-Х-Х-Х: МПТ — электромагнит постоянного тока; Х — габарит по диаметру шкива тормоза: 1 — 100 мм, 2 — 200 мм, 3 — 300 мм, 5 — 500 мм; Х — порядковый номер модификации; Х — климатическое исполнение и категория размещения по ГОСТ 15150 69. МО-Х (Б) Х: МО — электромагнит переменного тока однофазный; Х — габарит по диаметру шкива тормоза, мм: 100; 200; Б — условное обозначение модификации; Х — климатическое исполнение и категория размещения по ГОСТ 15150 69.
Условия эксплуатации
Климатическое исполнение У2 (УХЛ2, Т2) по ГОСТ 15150 69 и ГОСТ 15543.1 89. Степень защиты электромагнитов IР40 по ГОСТ 14254 96. Окружающая среда невзрывоопасная, не содержащая пыли в количестве, нарушающем работу электромагнитов, а также агрессивных газов и паров в концентрациях, разрушающих металл и изоляцию, установленных ГОСТ 12.1.005 88. Группа механического исполнения М3 по ГОСТ 17516.1 90 (для электромагнитов МПТ-106, МПТ-108, МПТ-212, МПТ-317 — без многократных ударов). Требования техники безопасности по ГОСТ 12.2.007.0 75. Электромагниты серии МПТ соответствуют требованиям ТУ 3178-011-11523712 97, серии МО - ТУ 16.529.146 75.
ТУ
ТУ 3178-011-11523712-97; ТУ 16.529.146-75.
Технические характеристики
Электромагниты серии МПТ работают в следующих режимах:
Электромагниты допускают работу при напряжении, измеренном на зажимах катушки, составляющем 0,85 1,1 номинального напряжения, при этом установившееся превышение температуры катушки электромагнита в режиме ПВ=100% при напряжении, равном 1,05 номинального, не должно превышать значения, равного:
Основные технические характеристики электромагнитов серии МПТ приведены в табл. 1, габаритные, установочные и присоединительные размеры — в табл. 2.
Таблица 1
Наименование параметра | Значение параметра для типоисполнений | ||||
МПТ-500 | МПТ-317 | МПТ-212 | МПТ-108 | МПТ-106 | |
| Номинальное напряжение,В | 110; 220 | 220; 110; 24 | |||
| Тяговое усилие при номинальном ходе якоря Н не менее при: | |||||
| ПВ=25% | 1000 | 2000 | 960 | 540 | 216 |
| ПВ=40% | 800 | 1650 | 780 | 450 | 167 |
| ПВ=60% | 500 | ||||
| ПВ=100% | 270 | 1000 | 450 | 314 | 108 |
| ПВ=5%/ПВ=100% | 1700 | ||||
| Ход якоря, мм: | |||||
| номинальный | 65 | 6 | 5,5 | 5,0 | 3,5 |
| полный | 80 | 12 | 9 | 10 | 7 |
| Время срабатывания электромагнита при номинальном ходе якоря, с не более для: | |||||
ПВ=25% | 1,05 | 0,5 | 0,40 | 0,25 | |
| ПВ=40% | 1,20 | 0,25 | |||
| ПВ=60% | 1,10 | ||||
ПВ=100% | 1,58 | ||||
| Время возврата электромагнита при номинальном ходе якоря, с не более для: | |||||
ПВ=25% | 0,58 | 0,15 | 0,10 | ||
| ПВ=40% | 0,70 | 0,10 | |||
| ПВ=60% | 1,00 | ||||
ПВ=100% | 1,50 | ||||
| Потребляемая мощность, Вт не более для: | |||||
| ПВ=25% | 835 | 340 | 240 | 192 | 110 |
| ПВ=40% | 450 | 215 | 150 | 140 | 73 |
| ПВ=60% | 336 | ||||
| ПВ=100% | 209 | 85 | 60 | 48 | 31 |
| ПВ=5%/ПВ=100% | 3280 | ||||
| Масса, кг не более | 65 | 27 | 11,5 | 5,8 | 2,1 |
Таблица 2
Типоисполнение | Размеры, мм | ||||||||||||
D | Н | Lmax | a | b | d | d1 | d2 | h | hн | hп | l | l1 | |
| МПТ-106 | 68 | ? | 136 | 30 | 44 | 12 | M8 | M4 | 200 | 3.5 | 7 | 15 | 35.5 |
| МПТ-108 | 90 | 189 | M6 | 200 | 5 | 10 | 15 | 37 | |||||
| МПТ-212 | 120 | 159 | 203 | 38 | 80 | M12 | 300 | 5.5 | 9 | 20 | 63.5 | ||
| МПТ-317 | 165 | 185 | 232 | 18 | M8 | 425 | 6 | 12 | 67 | ||||
Электромагниты серии МО изготовляются на напряжения 220; 240;380; 400; 415; 440 и 500 В для сетей однофазного переменного тока частотой 50 или 60 Гц, и рассчитаны на работу в продолжительном (ПВ=100%) и повторно-кратковременном (ПВ=40%) режимах. Электромагниты этой серии, работающие в повторно-кратковременном режиме, допускают по нагреву до 1000 включений в час, а в продолжительном режиме до 300 включений в час. Длительность цикла работы для режима ПВ=40% не более 10 мин. Основные параметры электромагнитов серии МО приведены в табл. 3, габаритные, установочные и присоединительные размеры — в табл. 4.
Таблица 3
Наименование параметра | Значение параметра для типоисполнений | |
МО-100Б | МО-200Б | |
| Угол поворота, градус не более | 7,5 | 5,5 |
| Момент электромагнита, Н·м не более для: | ||
ПВ=40% | 5,4 | 39,2 |
ПВ=100% | 2,9 | 19,6 |
| Полная мощность, В·А не более: | ||
| в момент включения для: | ||
ПВ=40% | 2000 | 6800 |
ПВ=100% | 1100 | 4000 |
| при втянутом якоре для: | ||
| ПВ=40% | 400 | 1350 |
| ПВ=100% | 190 | 650 |
| Активная мощность при втянутом якоре, Вт не более для: | ||
| ПВ=40% | 115 | 450 |
| ПВ=100% | 60 | 225 |
| Момент массы якоря, Н·м не более | 0,49 | 3,53 |
Таблица 4
Типоисполнение | Размеры, мм | ||||||||||||||
B | H | H1 | H2 | Lmax | L | R | a | b | b1 | h | l | s | s1 | a | |
| МО-100 | 130 | 192 | 21 | 100 | 188 | 107 | 4,5 | 30 | 85 | 9 | 3 | 32 | 7 | 16 | 7,5 |
| МО-200 | 175 | 297 | 27 | 135 | 295 | 174 | 6,5 | 38 | 140 | 13 | 4,2 | 60 | 9 | 21 | 5,5 |
Для электромагнитов, рассчитанных на частоту тока 60 Гц, значения полной мощности должны быть на 20% больше значений, указанных в табл. 3. Момент электромагнита гарантируется при напряжении не менее 0,85 номинального и угле поворота не более указанного в табл. 3 как в холодном, так и в нагретом состояниях электромагнита. Гарантийный срок — 2 года со дня ввода электромагнита в эксплуатацию.
Устройство
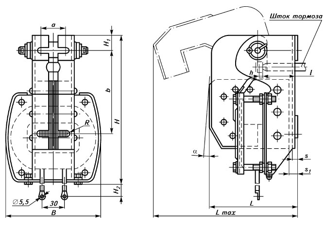
Общий вид электромагнитов серии МПТ представлен на рис. 1, 2. Электромагниты являются составной частью тормозов типа ТКП. Принцип действия тормозных электромагнитов заключается в следующем. При подаче напряжения на выводы катушки, якорь электромагнита прижимается к сердечнику и сжимает главную пружину тормоза. Колодки, освободившись от действия пружины, расходятся. Происходит растормаживание шкива. + Рисунок [1]. Общий вид, габаритные, установочные и присоединительные размеры тормозных электромагнитов постоянного тока МПТ-106 (108; 212; 317): h — номинальный ход якоря; h — полный ход якоря + Рисунок [2]. Общий вид, габаритные, установочные и присоединительные размеры тормозного электромагнита постоянного тока МПТ-500 При отключении электромагнита от питающей сети рычажная система под действием пружины возвращает якорь в первоначальное положение. Происходит замыкание тормоза (колодки прилегают к тормозному шкиву). Срабатывание электромагнита должно быть четким, без остановок в промежуточных положениях. Нормальное положение электромагнитов МПТ-106, МПТ-108, МПТ-212, МПТ-317 — горизонтальное или вертикальное, с допустимым отклонением от рабочего положения не более, чем на 5 в любую сторону. Нормальное рабочее положение электромагнита МПТ-500 вертикальное штоком вверх, предельное отклонение от рабочего положения должно быть не более 15 в любую сторону при условии, что нагрузка направлена вдоль оси штока. Электромагниты типов МПТ-106, МПТ-108 взаимозаменяемы с серийными электромагнитами постоянного тока МП-101 в колодочных тормозах ТКП-100, ТКП-200/100. Электромагнит МПТ-212 взаимозаменяем с электромагнитом МП-201 в колодочных тормозах ТКП-200, ТКП-300/200. Электромагнит МПТ-317 взаимозаменяем с электромагнитом МП-301 в колодочных тормозах ТКП-300. Электромагниты типа МПТ-500 устанавливаются на колодочных тормозах типа ТКГ-500 и ТКТГ-600. Общий вид тормозных электромагнитов серии МО приведен на рис. 3. Магнитопровод электромагнита, состоящий из неподвижного ярма и поворачивающегося якоря, изготовлен из электротехнической стали. На ярме установлена катушка, защищенная крышкой и притянутая к ярму болтами. Выводы катушки выполнены гибкими проводами с наконечниками. Электромагнит крепится к одному из рычагов тормоза, для чего в стойках ярма предусмотрены специальные прорези. При подаче напряжения на выводы катушки якорь, притягиваясь к полюсам ярма, поворачивается на оси, сидящей в подшипниках, приваренных к стойке ярма. При этом якорь нажимает перемычкой на шток тормоза и перемещает его, в результате чего происходит размыкание: колодки отходят от шкива тормоза. + Рисунок [3]. Общий вид, габаритные, установочные и присоединительные размеры тормозных электромагнитов переменного тока серии МО: h - ход штока, соответствующий повороту якоря на угол 2[0]; L — размер, соответствующий возможному крайнему положению якоря При отключении электромагнита от питающей сети тормозной шток под действием пружины тормоза нажимает на перемычку и заставляет якорь повернуться и отойти от ярма. Происходит замыкание тормоза: колодки прилегают к тормозному шкиву.
Технические характеристики
В комплект поставки электромагнитов серий МО и МПТ входят: электромагнит и паспорт. Техническое описание и инструкция по эксплуатации поставляется по отдельному заказу.